Salta ai contenuti.Salta alla navigazione

Dal 9 dicembre 2025 al 12 gennaio 2026 compresi non sarà possibile effettuare acquisti sul nostro sito web. Potrete tornare a fare i vostri acquisti online dal 13 gennaio 2026.

Dal 9 dicembre 2025 al 12 gennaio 2026 compresi non sarà possibile effettuare acquisti sul nostro sito web. Potrete tornare a fare i vostri acquisti online dal 13 gennaio 2026.

154176 DIFESA MONTIINGOLFO

DIFESA MONTIINGOLFO
10.0 NETTO IVA 22.0%
  • Disponibilita'
  • Accedi al sito per procedere con l'acquisto
Punti trigonometrici scheda descrittiva
Le schede monografiche dei punti trigonometrici non sono visibili poiche' al momento e' in corso la loro digitalizzazione: prima di acquistare il punto si consiglia di contattare l'archivio geodetico per avere maggiori informazioni
154176     DIFESA MONTIINGOLFO
Cartografia Serie 25 381 sez IV Montenero di Bisaccia
Serie 25V 154 ISO Palata
Localizzazione
Nazione ITALIA
Regione MOLISE
Provincia CAMPOBASSO
Comune MONTECILFONE
Carabinieri MONTECILFONE
Coordinate Attenzione Le coordinate geografiche sono in gradi sessagesimali approssimate al secondo. Le coordinate piane e le quote sono espresse in metri con cifre significative fino al decametro.
ROMA40   ETRF2000   Quote
Φ 41° 54' 29"   Φ 41° 54' 32"   s.l.m. 340
λ 02° 21' 47"   λ 14° 48' 55"   Quote ellisoidica  
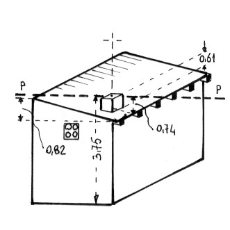
Materializzazione Fumaiolo posto sulla estremità dello spigolo Nord del tetto della Casetta posta in località Difesa Montiingolfo. Asse geometrico del fumaiolo.
Accesso
Informazioni Ausiliare
Produttore IGM
Segnalizzato 1975
Modalita':  Vertici trigonometrici di certa definizione
Immagini:




Monografia
(Clicca sulle immagini per ingrandire)
Message